>>
Pneumatice / Cilindri
XH 050 0200 R
AIGNEP
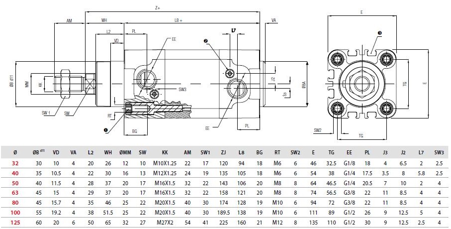
Cilindru pneumatic liniar compact Serie XH cu dubla actiune si amortizor magnetic, Ø=50mm, Cursa=200mm, Versiune R= Garnitura raclor metalica
Fabricant: AIGNEP
Model: XH 050 0200 R
Cilindru pneumatic liniar compact Serie XH cu dubla actiune si amortizor magnetic, Ø=50mm, Cursa=200mm, Versiune R= Garnitura raclor metalica



