>>
Pneumatice / Racorduri
04.01.5020 ; 05020000103NB
AIGNEP
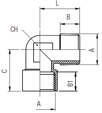
COT MAMA TATA A=1/4 B=11 B1=11 C=25.5 L=24 CH=13 Pachet=10
Fabricant: AIGNEP
Model: 04.01.5020 ; 05020000103NB



